
Дестратификатор Тепломаш КЭВ-Д3-1
Дестратификатор Тепломаш КЭВ-Д3-1, 90 Вт
Назначение
Дестратификатор Тепломаш (подпотолочный осевой вентилятор) предназначен для выравнивания температуры между теплым воздухом под потолком и холодным воздухом на уровне пола в помещении за счет направленного потока воздуха, что приводит к обеспечению комфортной температуры в рабочей зоне и снижает количество потребляемой энергии климатической техникой (кондиционеры, тепловентиляторы).
Приборы применяют в супермаркетах, производственных помещениях, складах, оранжереях, теплицах, бассейнах и спорткомплексах для ликвидации "холодных углов" и предотвращения образования конденсата.
Установка дестратификатора уменьшает затраты на отопление помещения на 20-50%.
Отличительные особенности:
- без нагрева;
- корпус выполнен из пластика;
- агрегаты предназначены для установки внутри помещений;
- горизонтальный способ установки;
- осевой вентилятор;
- регулируемые жалюзи;
- 3 скорости вращения вентилятора;
- легкая поворотная конструкция;
- корпус серого цвета, жалюзи - оранжевого;
- управление с помощью пульта HL10;
- прибор работает как в непрерывном, так и периодическом режимах;
- не допускается присутствие в воздухе веществ, агрессивных по отношению к углеродистым сталям, алюминию и меди.
Основные параметры
| Максимальное потребление мощности | 90 Вт |
| Производительность | 1300-1400-1500 м3/ч |
| Высота установки | 6-12 м |
| Скорость струи на выходе | 1,8 м/с |
| Напряжение сети | 220 В; 50 Гц |
| Материал корпуса | пластик |
| Максимальное потребление тока | 0,4 А |
| Температура окружающей среды | 1-40 C° |
| Степень защиты | IP44 |
| Уровень звукового давления на расстоянии 5 м | 51 дБ |
| Максимальное количество приборов, управляемых одним пультом | 12 шт |
| Вес | 21 кг |
| Способ установки | горизонтальный |
| Габариты (ВхШхД) | 675х575х635 мм |
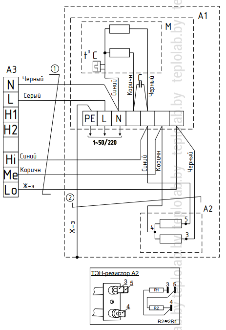
Схема подключения


Способ установки

Конструкция

Габариты

Комплектация
В комплекте с дестратификатором Тепломаш серии Д идут кронштейн и пульт управления HL10.
| Основные | |
|---|---|
| Производитель | Тепломаш |
| Страна производитель | Россия |
| Вес | 21 кг |
| Гарантийный срок | 24 мес |
| Степень защиты IP | 44 |
| Уровень шума | 51 дБ |
| Частота тока | 50 Гц |
| Максимальная мощность | 90 Вт |
| Максимальная производительность, м3/ч | 1500 |
| Материал корпуса | Пластик |
| Напряжение сети | 220~240 В |
| Габаритные размеры | |
| Высота | 675 мм |
| Длина | 635 мм |
| Ширина | 575 мм |
| Дополнительные характеристики | |
| Ступенчатое регулирование мощности | Да |
| Пользовательские характеристики | |
| Максимальная высота установки, м | 12 |
- Цена: Цену уточняйте
ООО "Лаборатория Тепла"
220051, г. Минск, ул. Ольшанская, д. 3-4, офис 19
Дата регистрации в Торговом реестре/Реестре бытовых услуг: 26.05.2015
Номер в Торговом реестре/Реестре бытовых услуг: 260294, Республика Беларусь
УНП: 192437586
Регистрационный орган: Минский горисполком
Дата регистрации компании: 05.03.2015
Ссылка на свидетельство/лицензию
Ссылка на свидетельство/лицензию
Режим работы:
| День | Время работы |
|---|---|
| Понедельник | 09:00-18:00 |
| Вторник | 09:00-18:00 |
| Среда | 09:00-18:00 |
| Четверг | 09:00-18:00 |
| Пятница | 09:00-18:00 |
| Суббота | Выходной |
| Воскресенье | Выходной |