


Реле напряжения Евроавтоматика ФиФ CP-731
Реле контроля напряжения Евроавтоматика ФиФ CP-731
Назначение
Реле напряжения СР-731 предназначен для непрерывного контроля величины напряжения переменного тока в трехфазной сети и защиты электроустановок, электроприборов и т.п. путем отключения напряжения питания при выходе его за установленные пределы. СР-731 защищает также электроустановки при обрыве нулевого провода, нарушения чередования фаз, "слипания" фаз. Нагрузка подключена, если контролируемое напряжение находится в требуемом диапазоне. Диапазон (верхнее и нижнее значение) устанавливается с помощью потенциометров, расположенных на передней панели. Включение реле происходит автоматически, после восстановления сетевого напряжения.
Область применения
Выдача сигнала управления в схему сигнализации при выходе значения напряжения за установленные пределы.
Возможности установки
- варисторная защита;
- расширен диапазон контролируемых значений верхнего порога напряжения
Принцип работы
Реле измеряет напряжение в сети и при выходе его за установленные пределы отключает защищаемое оборудование от электропитания. Верхний и нижний пределы напряжения устанавливаются потребителем. При обрыве нулевого провода происходит отключение нагрузки от питающей сети.
Основные параметры
| Напряжение питания | 3х(150-450)+N В, 50 Гц |
| Максимальный ток катушки контактора | 2 А |
| Максимальный коммутируемый ток (AC1) | 8 А |
| Напряжение отключения нижнее (регулируемое) U1 | 150-210 В |
| Напряжение отключения верхнее (регулируемое) U2 | 230-290 В |
| Задержка отключения для верхнего порога U2 | 0,1 с |
| Задержка отключения для нижнего порога U1 | 5 с |
| Контакт | 1NO/NC |
| Время повторного включения | 2 с/ 600 с |
| Гистерезис | 5 B |
| Подключение | винтовые зажимы 2,5 мм2 |
| Диапазон рабочих температур | от -25 до +50 °С |
| Категория перенапряжения | III |
| Тип корпуса | 3S |
| Потребляемая мощность, не более | 1.75 Вт |
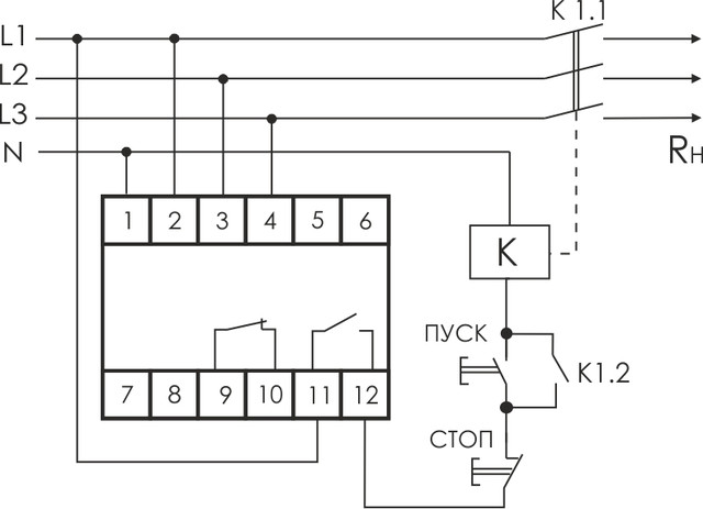
Схема подключения

| Основные | |
|---|---|
| Производитель | Евроавтоматика ФиФ |
| Страна производитель | Беларусь |
| Дисплей | Нет |
| Масса | 130 г |
| Материал корпуса | Пластик |
| Тип монтажа | На DIN рейку |
| Габаритные размеры | |
| Высота | 63 мм |
| Длина | 90 мм |
| Ширина | 52.5 мм |
| Пользовательские характеристики | |
| Вид терморегулятора | Электронный |
- Цена: 182,28 руб.
ООО "Лаборатория Тепла"
220051, г. Минск, ул. Ольшанская, д. 3-4, офис 19
Дата регистрации в Торговом реестре/Реестре бытовых услуг: 26.05.2015
Номер в Торговом реестре/Реестре бытовых услуг: 260294, Республика Беларусь
УНП: 192437586
Регистрационный орган: Минский горисполком
Дата регистрации компании: 05.03.2015
Ссылка на свидетельство/лицензию
Ссылка на свидетельство/лицензию
Режим работы:
| День | Время работы |
|---|---|
| Понедельник | 09:00-18:00 |
| Вторник | 09:00-18:00 |
| Среда | 09:00-18:00 |
| Четверг | 09:00-18:00 |
| Пятница | 09:00-18:00 |
| Суббота | Выходной |
| Воскресенье | Выходной |